Schéma de connexions partie 1

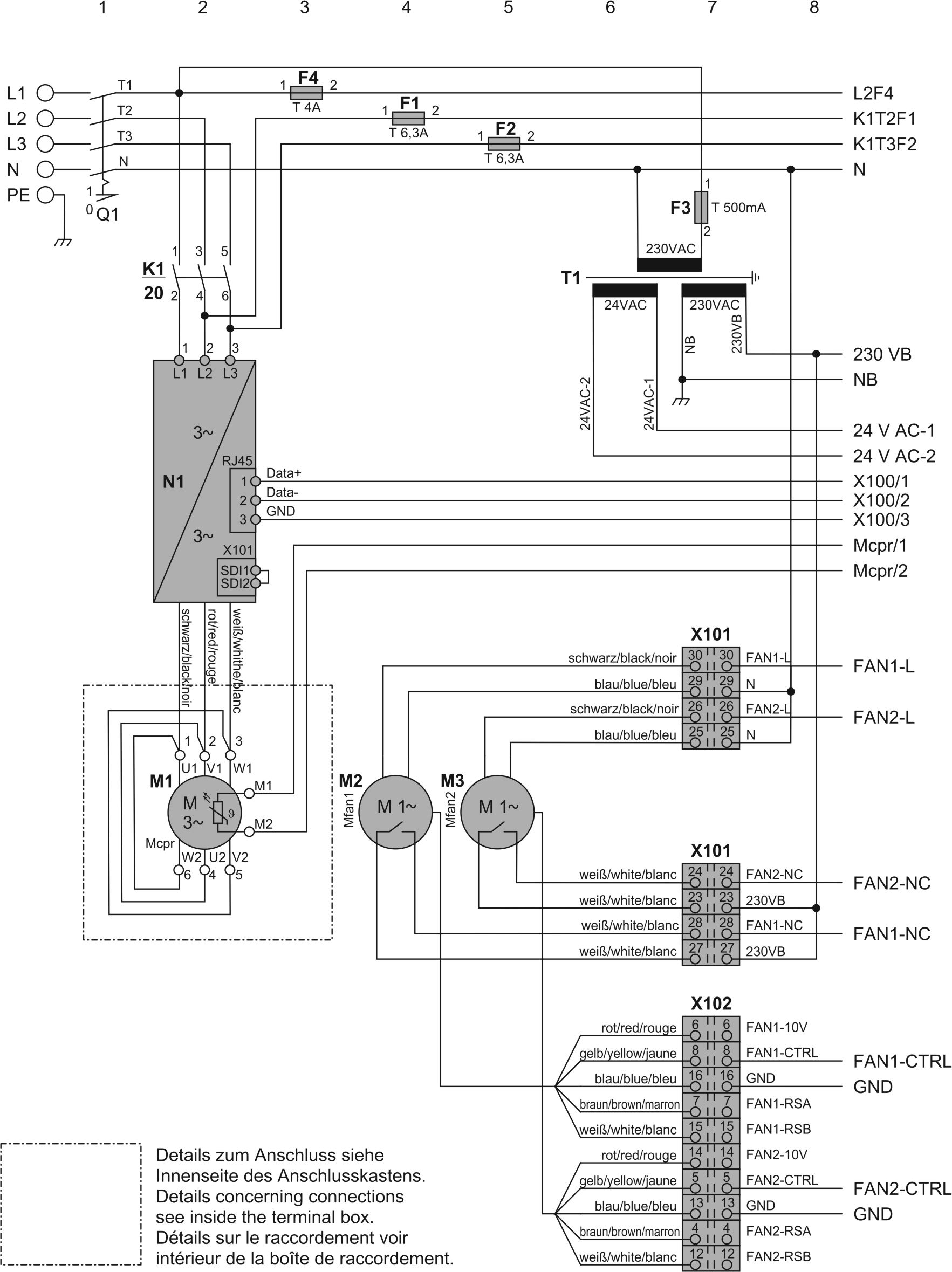
Schéma de connexions partie 1 : état à la livraison LHV..F1Y
Schéma de connexions partie 1 : état à la livraison LHV..F1Y
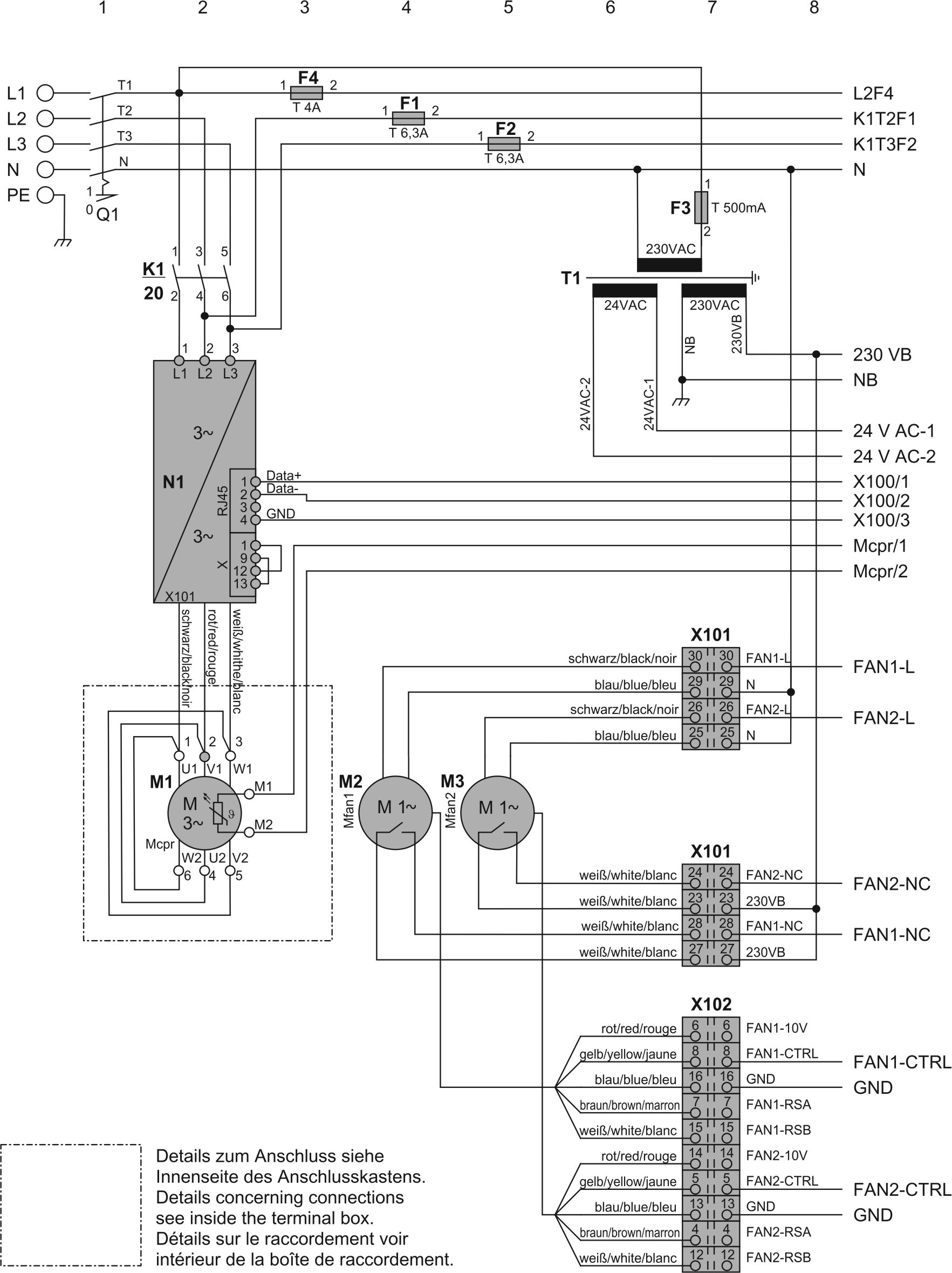
Schéma de connexions partie 1 : état à la livraison LHV7E..F3Y
Schéma de connexions partie 1 : état à la livraison LHV7E..F3Y
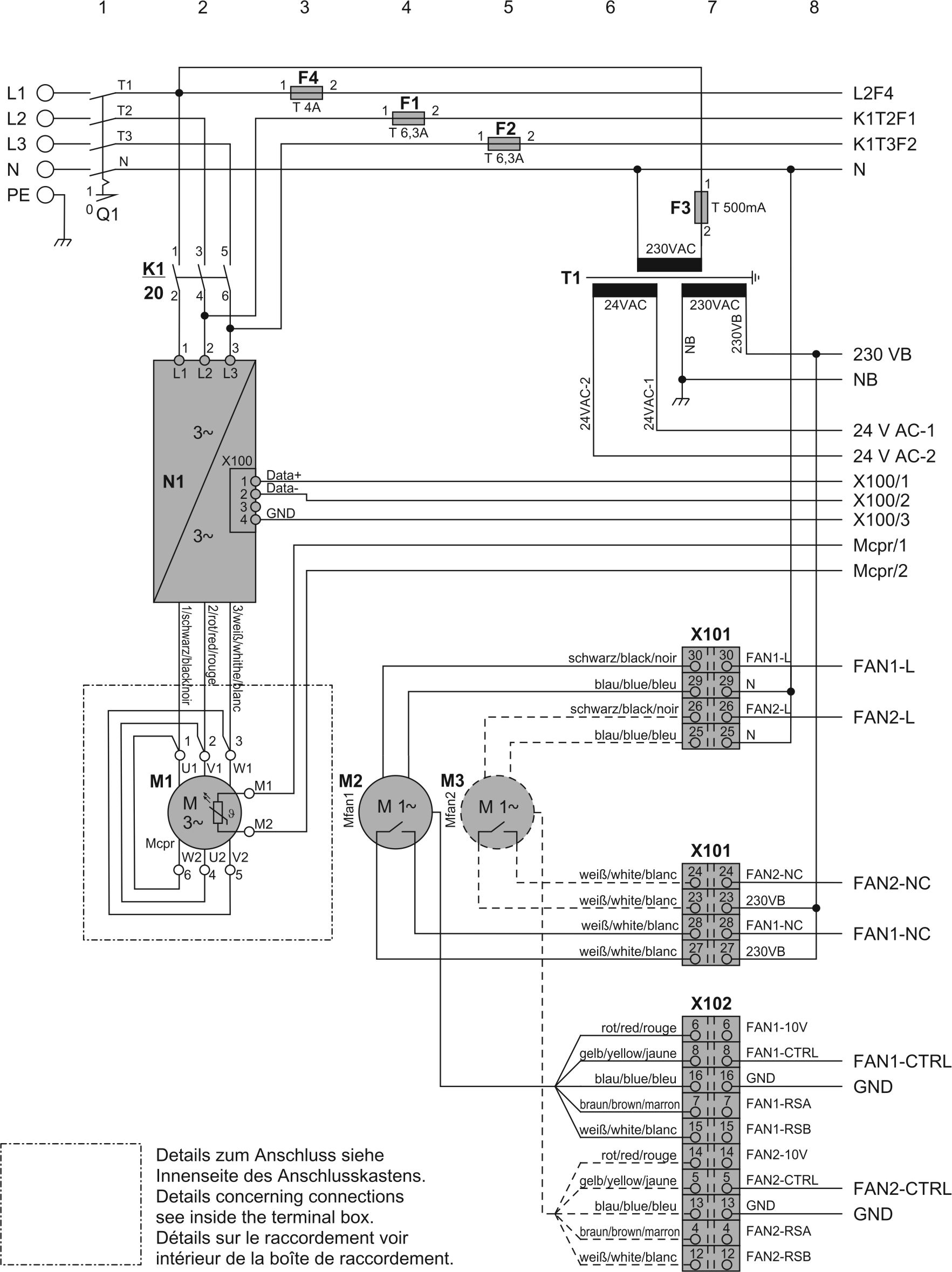
Schéma de connexions partie 1 : état à la livraison LHV7E..FY
Schéma de connexions partie 1 : état à la livraison LHV7E..FY