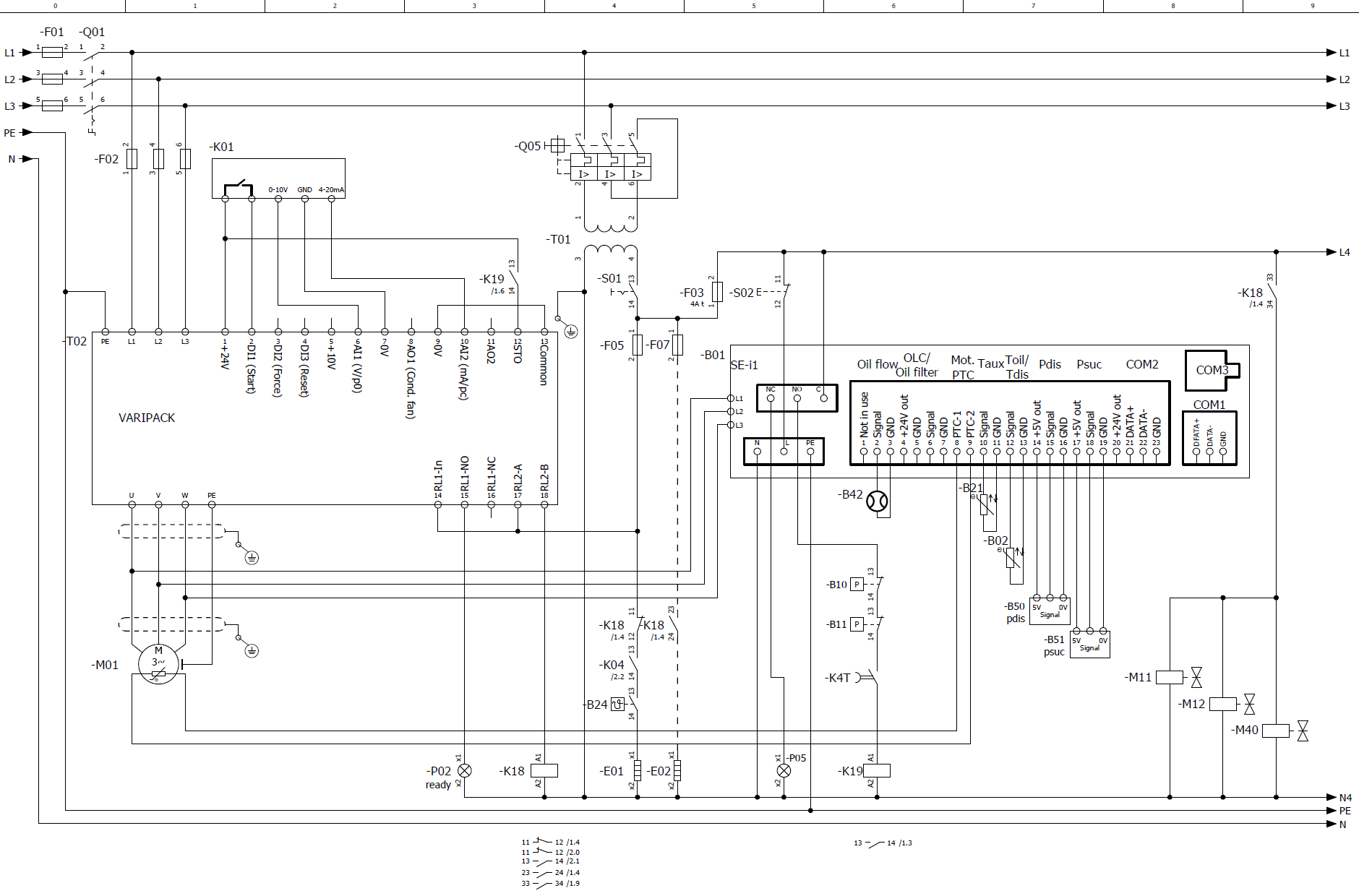
HS.53 .. 74 avec VARIPACK et SE-i1
Dernière modification du schéma :
13.07.2021
Abbr. | Composant |
|---|---|
B01 | Dispositif de protection du compresseur |
B02 | Sonde de température du gaz de refoulement |
B10 | Pressostat haute pression |
B11 | Pressostat basse pression |
B12 | Pressostat différentiel d'huile |
B21 | Sonde de température optionelle |
B24 | Thermostat d'huile |
B30 | Contrôleur de niveau d'huile |
B41 | Contrôle du filtre à l'huile |
B42 | Contrôleur du débit d'huile |
B50 | Transmetteur de haute pression |
B51 | Transmetteur de basse pression |
B53 | Mise en marche d'ECO |
E01 | Réchauffeur d'huile |
E02 | Chauffage de la boîte de raccordement |
F01 | Fusible principal |
F02 | Fusible du compresseur |
F03 | Fusible du circuit de commande |
F05 | Fusible du réchauffeur d'huile |
F07 | Fusible de chauffage de la boîte de raccordement |
K01 | Régulateur supérieur |
K04 | Relais auxiliaire pour contrôle d'huile |
K04T | Relais temporisé pour contrôleur de niveau d'huile |
K14 | Relais auxiliaire |
K18 | Relais auxiliaire : CF émet tension de puissance/champ tournante pour moteur |
K19 | Relais auxiliaire : chaîne de sécurité est activée |
K23 | Module d'extension |
M01 | Moteur du compresseur |
M03 | Ventilateur 1 |
M06 | VM pour économiseur (ECO) |
M11 | VM pour régulateur de puissance 1, CR1, CR+, CRII-2 ou démarrage à vide |
M12 | VM pour régulateur de puissance 2, CR2, CR- ou CRII-1 |
M13 | VM pour régulateur de puissance 3, CR3 ou CRII-3 |
M14 | VM pour régulateur de puissance CR4 |
M17 | VM pour bipasse d'arrêt |
M20 | VM pour conduite de liquide |
M40 | VM pour injection d'huile |
P02 | Luminaire : compresseur est prêt à fonctionner |
P04 | Luminaire : défaut d'alimentation d'huile |
P05 | Luminaire : défaut du compresseur |
Q01 | Interrupteur principal |
Q05 | Fusible du transformateur de commande |
S01 | Commutateur de commande (marche/arrêt) |
S02 | Déverrouillage du chaîne de sécurité du compresseur |
S04 | Déverrouillage du contrôle d'huile |
S13 | Température de condensation : commutation à la deuxième valeur de consigne |
S14 | Température d'évaporation : commutation à la deuxième valeur de consigne |
T01 | Transformateur de commande (exemple pour 230 V, requis suivant à EN60204-1) |
T02 | Convertisseur de fréquences (CF) |
Documents techniques complémentaires :

