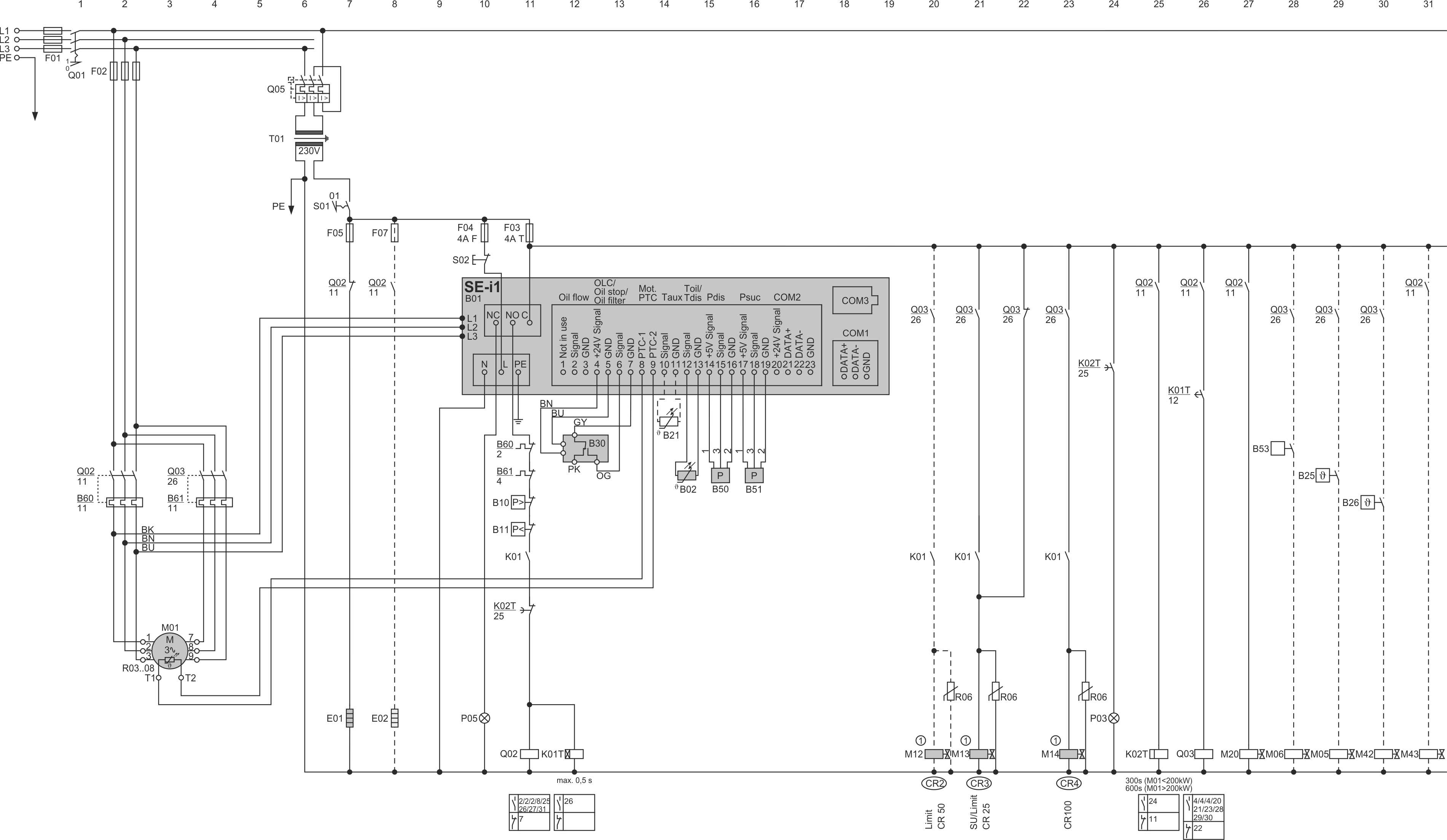
CS.65 .. 85 avec SE-i1, démarrage en bobinage partiel, régulation en continu de la puissance, kit complet de capteurs

(1) : Temps d'impulsion environ de 0,5 à 1 s en maximum, dépendant de la caractéristique d'installation.
Ce schéma de principe s'applique également aux types CS.P correspondants fonctionnant au R290 (propane).
Dernière modification du schéma :
26.02.2026
Abbr. | Composant |
|---|---|
B01 | Dispositif de protection du compresseur |
B02 | Sonde de température du gaz de refoulement |
B03 .. 08 | Sondes de température dans les bobinages du moteur |
B10 | Pressostat haute pression |
B11 | Pressostat basse pression |
B16 | Sonde de température du gaz de refoulement additionelle |
B21 | Sonde de température optionelle |
B25 | Thermostat de commande LI |
B26 | Thermostat de commande pour injection d'huile additionnelle, CSV.: pour refroidissement d'huile |
B30 | Contrôleur de niveau d'huile |
B50 | Transmetteur de haute pression |
B51 | Transmetteur de basse pression |
B53 | Mise en marche d'ECO |
B60 | Dispositif de protection contre les surcharges |
B61 | Dispositif de protection contre les surcharges pour second bobinage |
E01 | Réchauffeur d'huile |
E02 | Chauffage de la boîte de raccordement |
F01 | Fusible principal |
F02 | Fusible du compresseur |
F03 | Fusible du circuit de commande |
F04 | Fusible du dispositif de protection du compresseur ou du module du compresseur |
F05 | Fusible du réchauffeur d'huile |
F07 | Fusible de chauffage de la boîte de raccordement |
F08 | Fusible du contrôle du sens de rotation |
K01 | Régulateur supérieur |
K01T | Relais temporisé pour démarrage à bobinage partiel ou pour démarrage à étoile-triangle |
K02T | Relais temporisé pour la période d'arrêt minimale du compresseur |
K06T | Relais temporisé pour le régulateur de puissance |
K07T | Relais temporisé pour démarrage à vide |
K10 | Relais auxiliaire pour message d'état du compresseur |
K11 | Relais auxiliaire pour message d'état du compresseur |
M01 | Moteur du compresseur |
M05 | VM pour injection de liquide avec vanne d'injection LI, RI ou CIC |
M06 | VM pour économiseur (ECO) |
M11 | VM pour régulateur de puissance 1, CR1, CR+, CRII-2 ou démarrage à vide |
M12 | VM pour régulateur de puissance 2, CR2, CR- ou CRII-1 |
M13 | VM pour régulateur de puissance 3, CR3 ou CRII-3 |
M14 | VM pour régulateur de puissance CR4 |
M20 | VM pour conduite de liquide |
M30 | Ventilateur d'évaporateur |
M42 | VM pour injection d'huile additionnelle |
M43 | VM pour conduite du refroidisseur d'huile |
P03 | Luminaire : retard de temps est actif |
P05 | Luminaire : défaut du compresseur |
P11 | Luminaire : défaut de CF |
Q01 | Interrupteur principal |
Q02 | Contacteur pour premier bobinage (PW) ou contacteur principal (Y/Δ) ou contacteur du compresseur (démarrage direct) |
Q03 | Contacteur pour second bobinage (PW) ou contacteur triangle (Y/Δ) |
Q04 | Contacteur étoile (Y/Δ) |
Q05 | Fusible du transformateur de commande |
R06 | Elément d'antiparasitage (si nécessaire, p. ex. de Murr Elektronik) |
S01 | Commutateur de commande (marche/arrêt) |
S02 | Déverrouillage du chaîne de sécurité du compresseur |
T01 | Transformateur de commande (exemple pour 230 V, requis suivant à EN60204-1) |
T02 | Convertisseur de fréquences (CF) |
Documents techniques complémentaires :