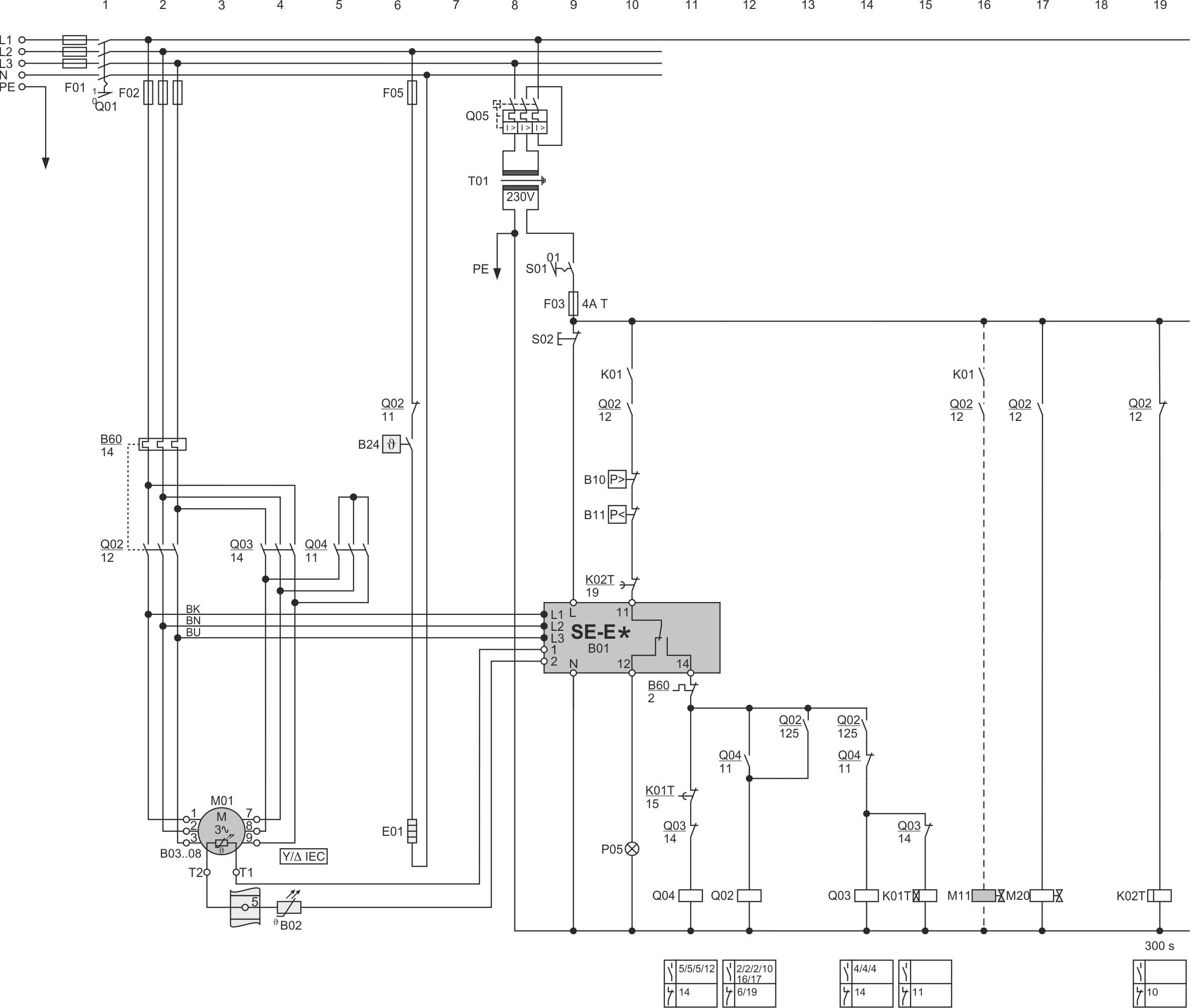
VSK41 avec SE-E*, démarrage Y/Δ

Dernière modification du schéma :
14.02.2025
Abbr. | Composant |
|---|---|
B01 | Dispositif de protection du compresseur |
B02 | Sonde de température du gaz de refoulement |
B03 .. 08 | Sondes de température dans les bobinages du moteur |
B10 | Pressostat haute pression |
B11 | Pressostat basse pression |
B24 | Thermostat d'huile |
B60 | Dispositif de protection contre les surcharges |
B61 | Dispositif de protection contre les surcharges pour second bobinage |
E01 | Réchauffeur d'huile |
F01 | Fusible principal |
F02 | Fusible du compresseur |
F03 | Fusible du circuit de commande |
F05 | Fusible du réchauffeur d'huile |
F08 | Fusible du contrôle du sens de rotation |
K01 | Régulateur supérieur |
K01T | Relais temporisé pour démarrage à bobinage partiel ou pour démarrage à étoile-triangle |
K02T | Relais temporisé pour la période d'arrêt minimale du compresseur |
K10 | Relais auxiliaire pour message d'état du compresseur |
K11 | Relais auxiliaire pour message d'état du compresseur |
M01 | Moteur du compresseur |
M11 | VM pour régulateur de puissance 1, CR1, CR+, CRII-2 ou démarrage à vide |
M20 | VM pour conduite de liquide |
P05 | Luminaire : défaut du compresseur |
P11 | Luminaire : défaut de CF |
Q01 | Interrupteur principal |
Q02 | Contacteur pour premier bobinage (PW) ou contacteur principal (Y/Δ) ou contacteur du compresseur (démarrage direct) |
Q03 | Contacteur pour second bobinage (PW) ou contacteur triangle (Y/Δ) |
Q04 | Contacteur étoile (Y/Δ) |
Q05 | Fusible du transformateur de commande |
S01 | Commutateur de commande (marche/arrêt) |
S02 | Déverrouillage du chaîne de sécurité du compresseur |
T01 | Transformateur de commande (exemple pour 230 V, requis suivant à EN60204-1) |
T02 | Convertisseur de fréquences (CF) |
Documents techniques complémentaires :