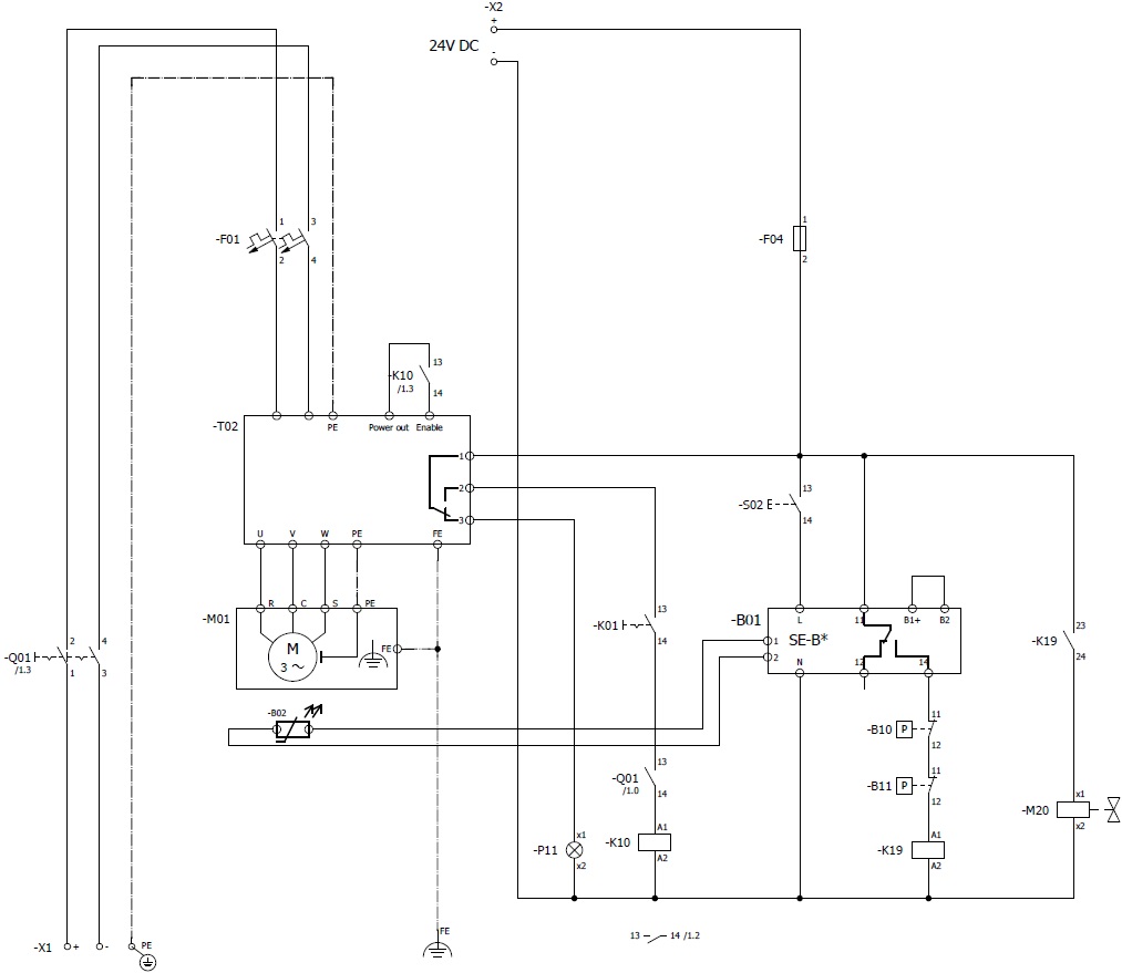
ELV mit SE-B*
Letzte Bearbeitung des Bilds:
27.01.2025
Abk. | Bauteil |
|---|---|
B01 | Verdichterschutzgerät |
B02 | Druckgastemperaturfühler |
B10 | Hochdruckschalter |
B11 | Niederdruckschalter |
F01 | Hauptsicherung |
F04 | Sicherung des Verdichterschutzgeräts oder Verdichtermoduls |
K01 | Übergeordneter Regler |
K10 | Hilfsrelais für Verdichterstatusmeldung |
K19 | Hilfsrelais: Sicherheitskette ist freigeschaltet |
M01 | Verdichtermotor |
M20 | MV für Flüssigkeitsleitung |
P11 | Leuchte: FU-Störung |
Q01 | Hauptschalter |
S02 | Entriegelung der Verdichtersicherheitskette |
T02 | Frequenzumrichter (FU) |
Weiterführende technische Dokumente:
- ESB-320: Betriebsanleitung Halbhermetische Scrollverdichter ELV52
