ECOLITE LHL7E




Letzte Bearbeitung des Bilds:
15.11.2023
Abk. | Bauteil |
|---|---|
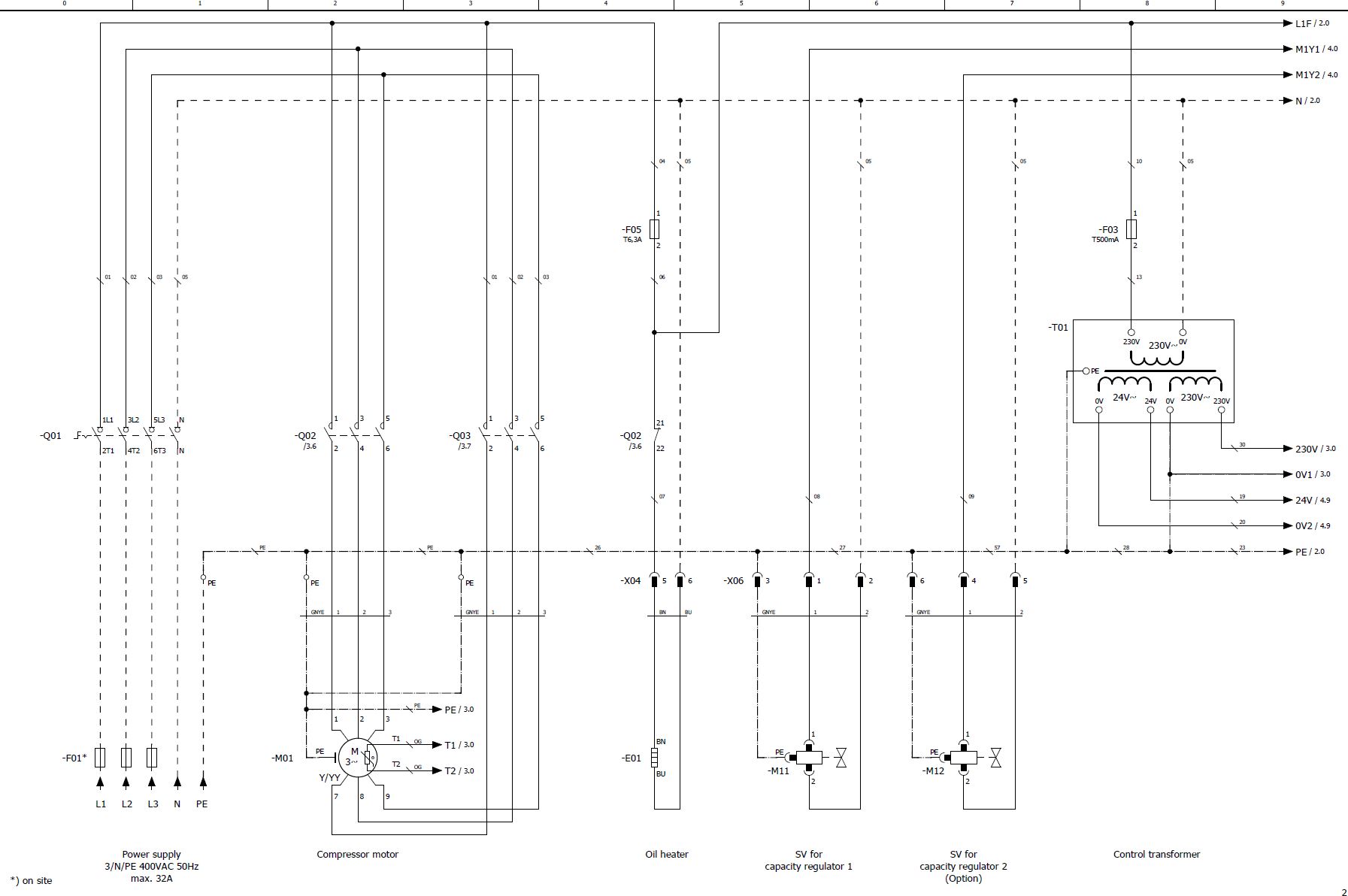
B01 | Verdichterschutzgerät |
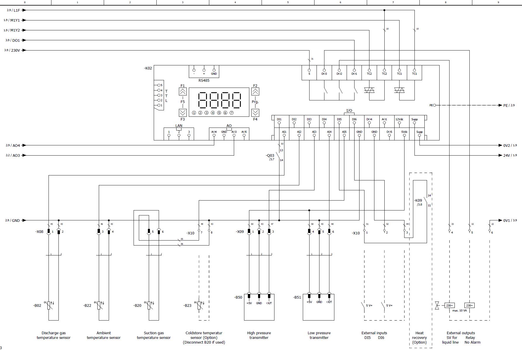
B02 | Druckgastemperaturfühler |
B10 | Hochdruckschalter |
B11 | Niederdruckschalter |
B12 | Öldifferenzdruckschalter |
B20 | Sauggastemperaturfühler |
B22 | Umgebungstemperaturfühler |
B23 | Kühlraumtemperaturfühler |
B50 | Hochdruckmessumformer |
B51 | Niederdruckmessumformer |
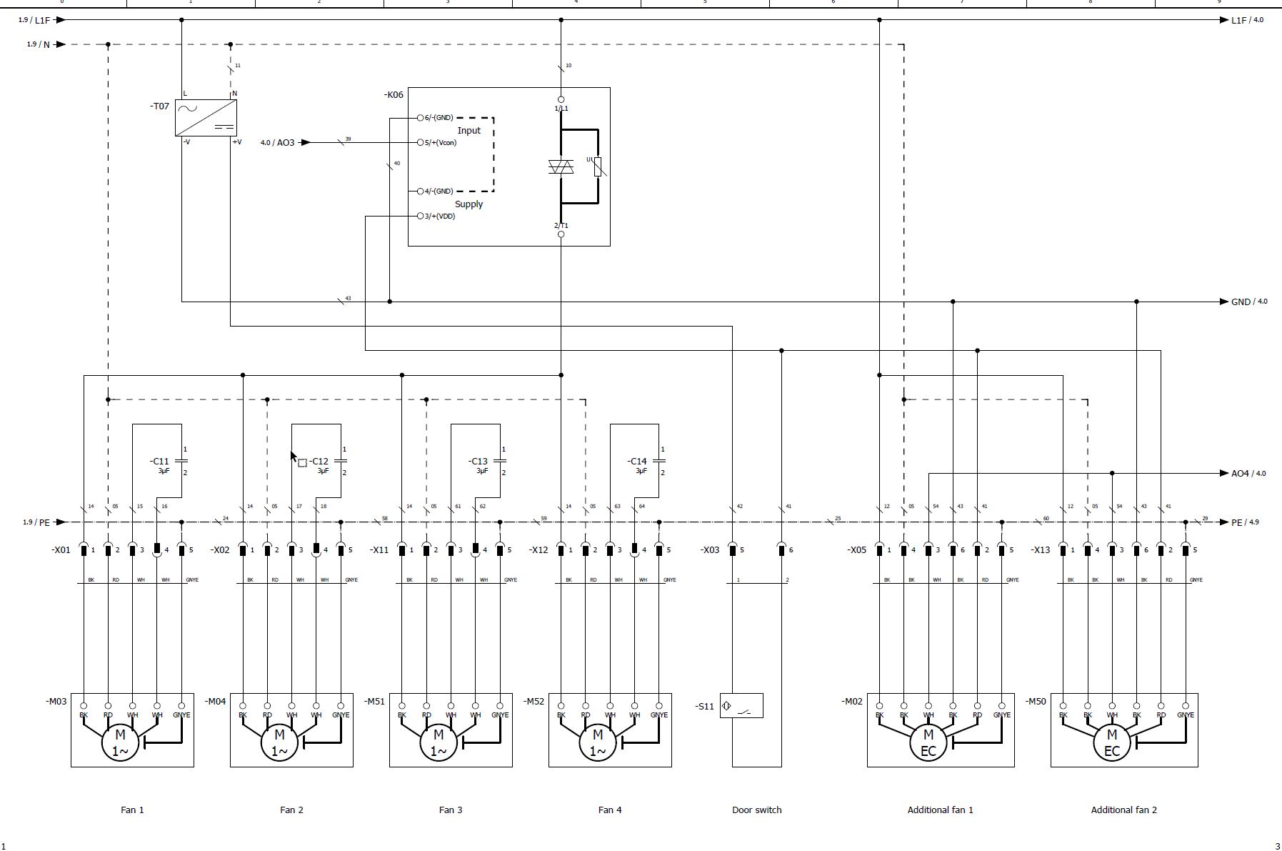
C11 | Betriebskondensator für Ventilator 1 |
C12 | Betriebskondensator für Ventilator 2 |
C13 | Betriebskondensator für Ventilator 3 |
C14 | Betriebskondensator für Ventilator 4 |
E01 | Ölheizung |
F01 | Hauptsicherung |
F03 | Steuerkreissicherung |
F05 | Sicherung der Ölheizung |
K02 | Regler des Verflüssigungssatzes |
K03 | Verdichtermodul |
K06 | Ventilatorsteuermodul |
K09 | Hilfsrelais für Wärmerückgewinnung |
M01 | Verdichtermotor |
M02 | Zusatzventilator |
M03 | Ventilator 1 |
M04 | Ventilator 2 |
M11 | MV für Leistungsregler 1, CR1, CR+, CRII-2 oder Anlaufentlastung |
M12 | MV für Leistungsregler 2, CR2, CR- oder CRII-1 |
M50 | Zusatzventilator 2 |
M51 | Ventilator 3 |
M52 | Ventilator 4 |
Q01 | Hauptschalter |
Q02 | Schütz für erste Teilwicklung (PW) oder Hauptschütz (Y/Δ) oder Verdichterschütz bei Direktanlauf |
Q03 | Schütz für zweite Teilwicklung (PW) oder Dreieckschütz (Y/Δ) |
S11 | Türschalter |
T01 | Steuertransformator (Beispiel für 230 V, erforderlich gemäß EN60204-1) |
T07 | Netzgerät für Hilfsspannung |
Die Kabelfarben sind entsprechend IEC DIN60757 notiert.
Weiterführende technische Dokumente:
- KB-206: Betriebsanleitung Ecolite - Luftgekühlte Verflüssigungssätze