ECOLITE LHL3E und LHL5E




Letzte Bearbeitung des Bilds:
15.11.2023
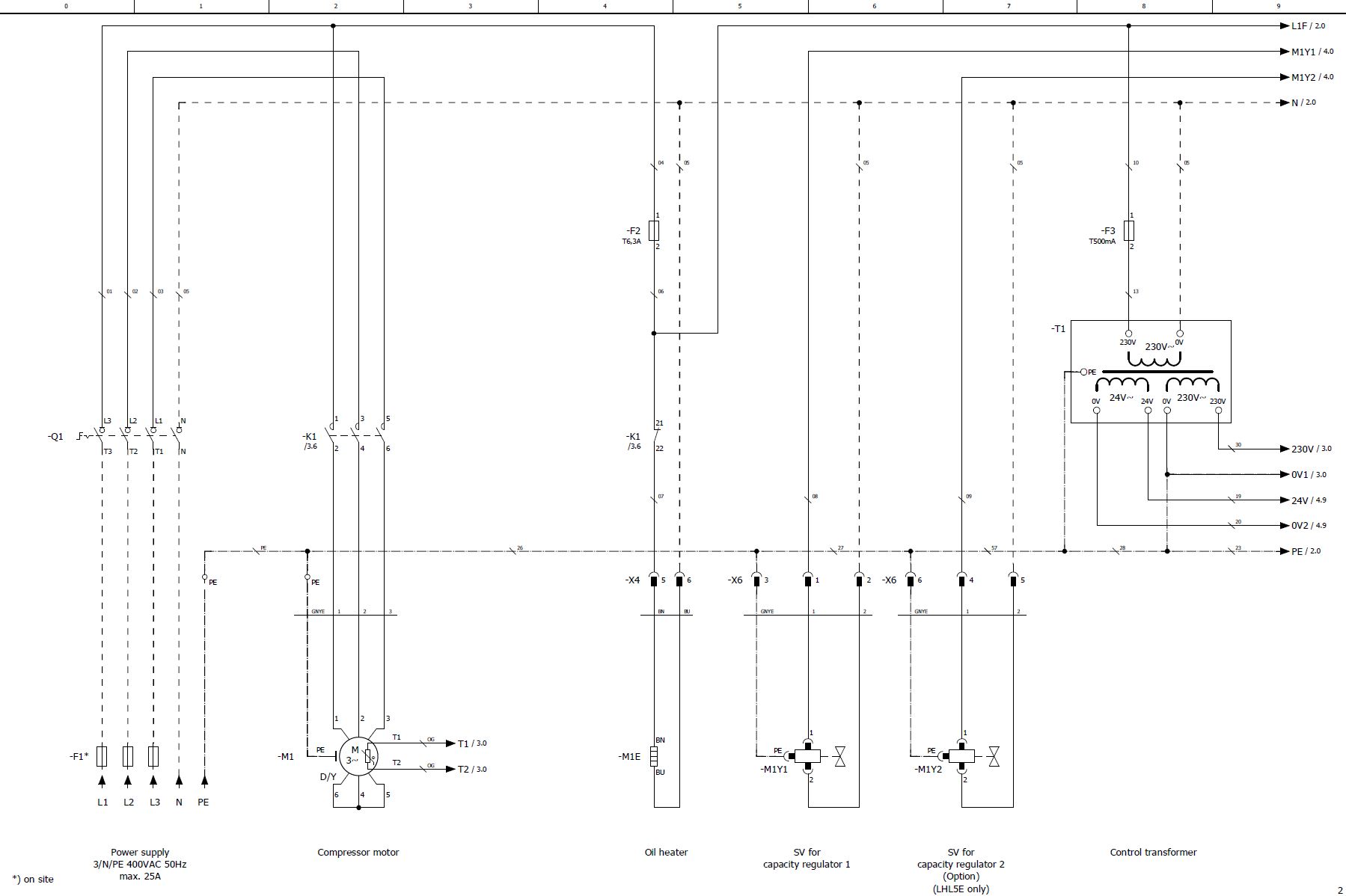
Abk. | Bauteil | |
|---|---|---|
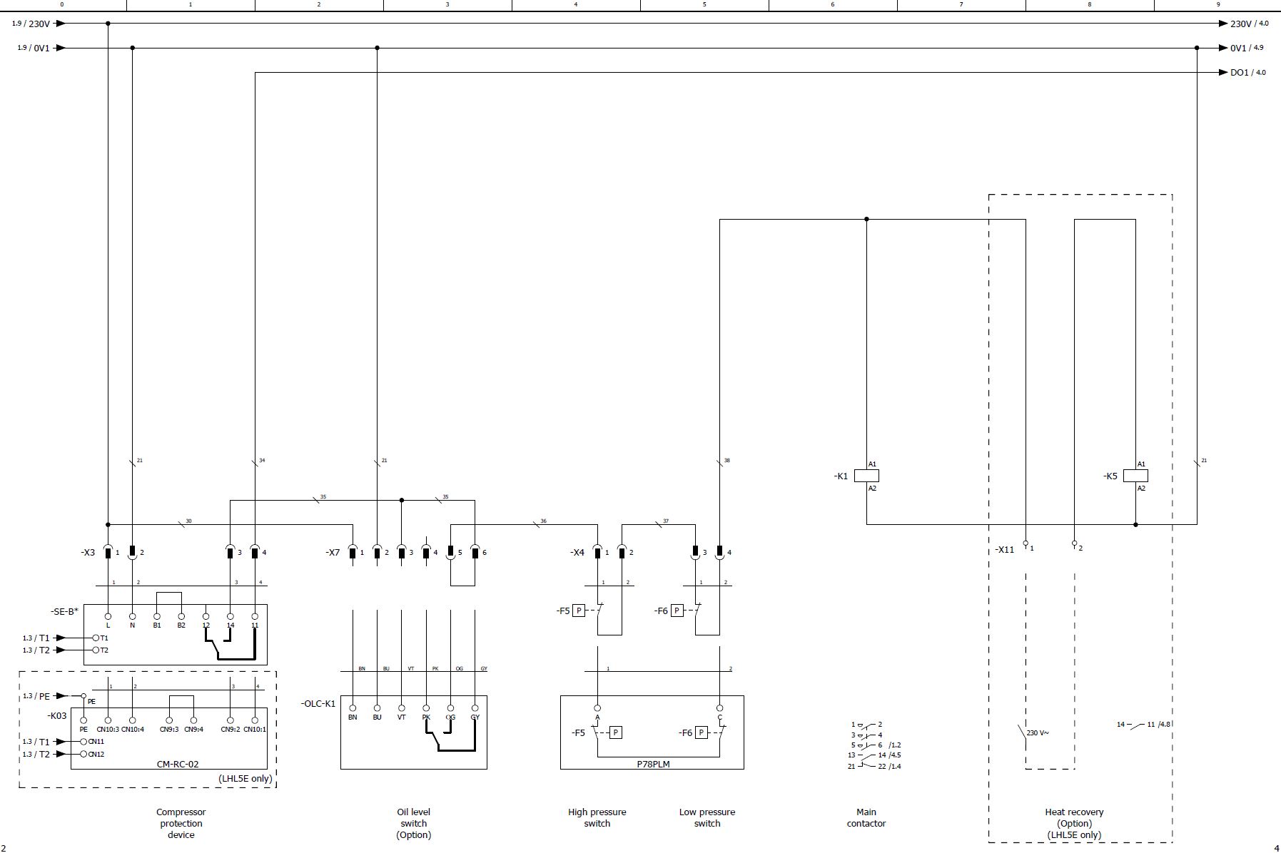
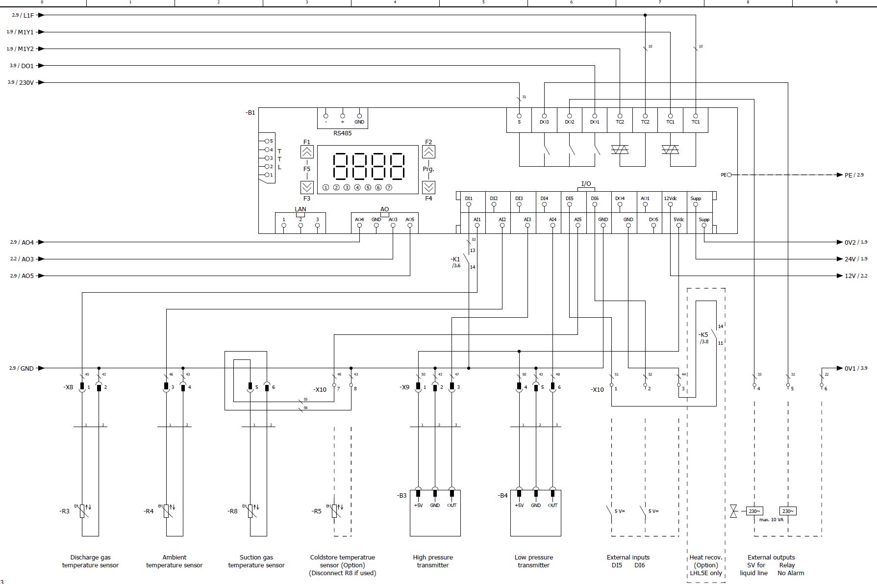
B1 | Regler des Verflüssigungssatzes | |
B3 | Hochdruckmessumformer | |
B4 | Niederdruckmessumformer | |
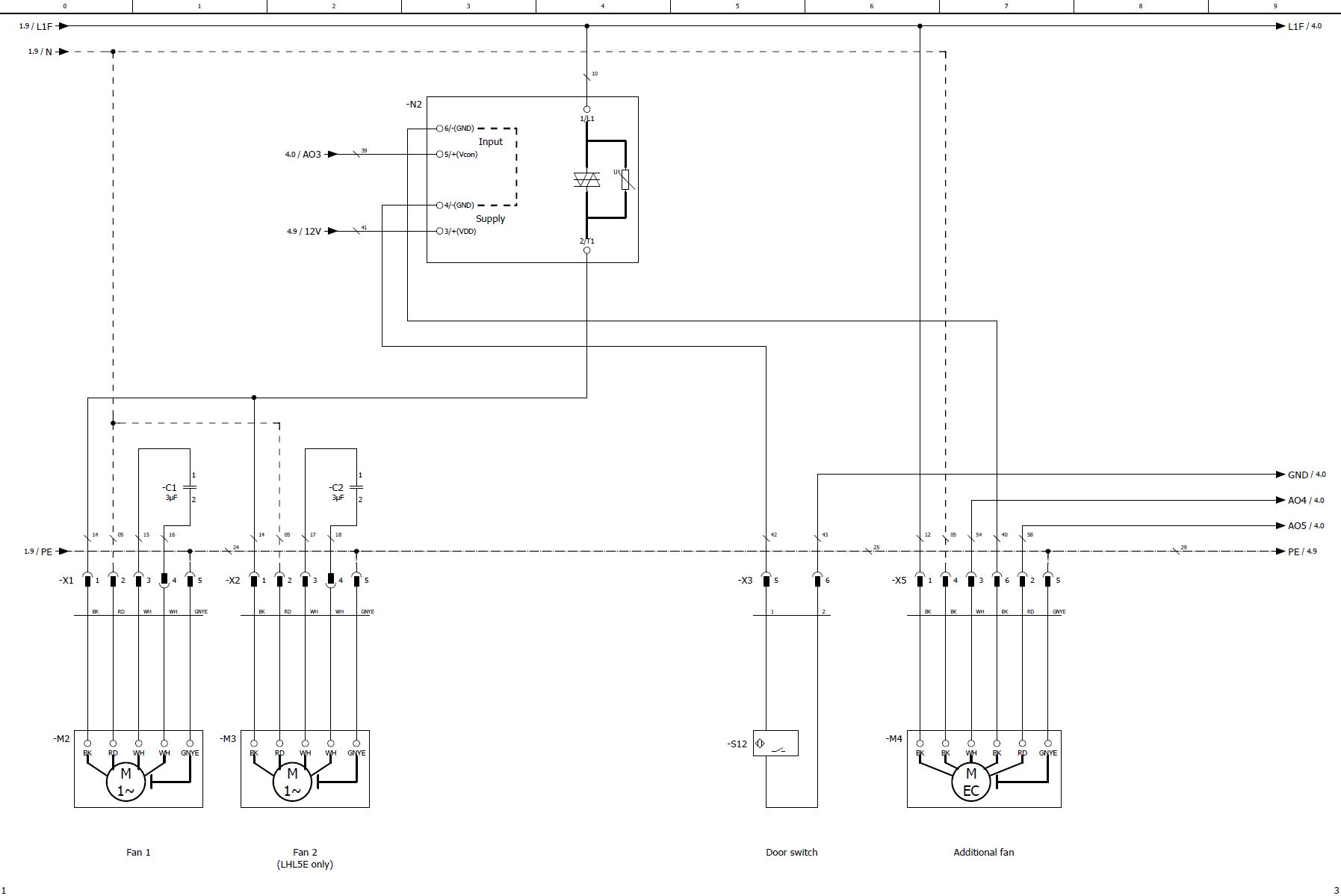
C1 | Betriebskondensator Ventilator 1 | |
C2 | Betriebskondensator Ventilator 2 | |
F1 | Hauptsicherung (bauseitig) | |
F2 | Sicherung der Ölheizung | |
F3 | Steuerkreissicherung | |
F5 | Hochdruckschalter | |
F6 | Niederdruckschalter | |
K1 | Hauptschütz | |
K03 | Verdichtermodul | |
K5 | Hilfsrelais für Wärmerückgewinnung (Option) | |
M1 | Verdichtermotor | |
M1E | Ölheizung | |
M1Y1 | MV für Leistungsregler 1 | |
M1Y2 | MV für Leistungsregler 2 (Option, nur LHL5E) | |
M2 | Ventilator 1 | |
M3 | Ventilator 2 | |
M4 | Zusatzventilator | |
N2 | Ventilatorsteuermodul | |
OLC-K1 | Ölniveauwächter (Option) | |
Q1 | Hauptschalter | |
R3 | Druckgastemperaturfühler | |
R4 | Umgebungstemperaturfühler | |
R5 | Kühlraumtemperaturfühler (Option) | |
R8 | Sauggastemperaturfühler | |
S12 | Türschalter | |
SE-B* | Verdichterschutzgerät | |
T1 | Steuertransformator |
Die Kabelfarben sind entsprechend IEC DIN60757 notiert.
Weiterführende technische Dokumente:
- KB-206: Betriebsanleitung Ecolite - Luftgekühlte Verflüssigungssätze