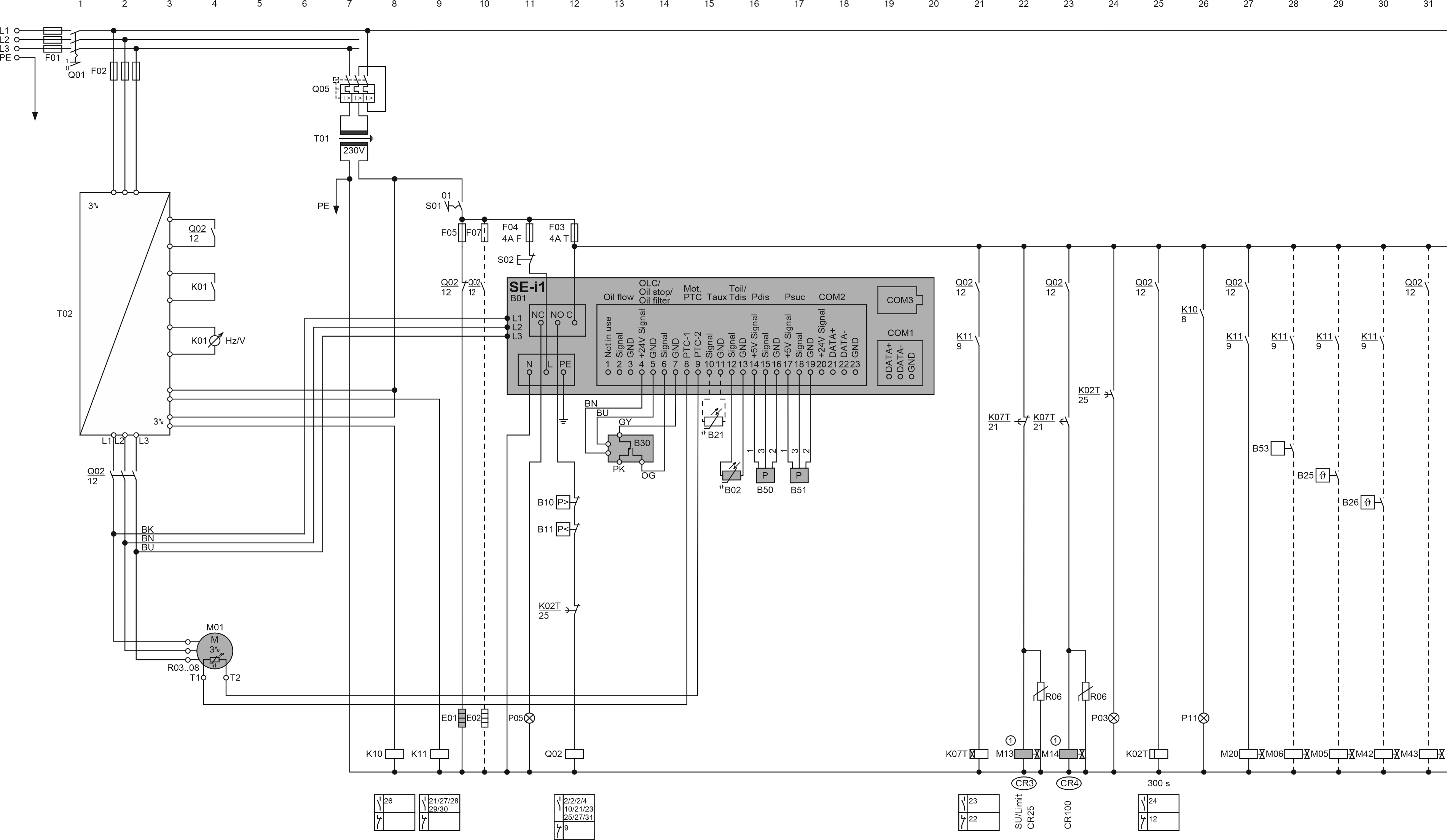
CS.65 .. 95 mit Frequenzumrichter und SE-i1, kompletter Sensorenbausatz

(1): Impulszeit ca. 0,5 bis max. 1 s je nach Anlagencharakteristik
Dieses Prinzipschaltbild gilt auch für die entsprechenden CS.P Typen mit R290 (Propan).
Letzte Bearbeitung des Bilds:
26.02.2026
Abk. | Bauteil |
|---|---|
B01 | Verdichterschutzgerät |
B02 | Druckgastemperaturfühler |
B03 .. 08 | Temperaturfühler in Motorwicklungen |
B10 | Hochdruckschalter |
B11 | Niederdruckschalter |
B16 | zusätzlicher Druckgastemperaturfühler |
B21 | Optionaler Temperaturfühler |
B25 | LI-Steuerthermostat |
B26 | Steuerthermostat für zusätzliche Öleinspritzung, CSV.: für Ölkühlung |
B30 | Ölniveauwächter |
B50 | Hochdruckmessumformer |
B51 | Niederdruckmessumformer |
B53 | ECO-Zuschaltung |
B60 | Überlastschutzeinrichtung |
B61 | Überlastschutzeinrichtung für zweite Teilwicklung |
E01 | Ölheizung |
E02 | Anschlusskastenheizung |
F01 | Hauptsicherung |
F02 | Verdichtersicherung |
F03 | Steuerkreissicherung |
F04 | Sicherung des Verdichterschutzgeräts oder Verdichtermoduls |
F05 | Sicherung der Ölheizung |
F07 | Sicherung der Anschlusskastenheizung |
F08 | Sicherung der Drehrichtungsüberwachung |
K01 | Übergeordneter Regler |
K01T | Zeitrelais für Teilwicklungsanlauf oder für Stern-Dreieck-Anlauf |
K02T | Zeitrelais für minimale Verdichterstillstandszeit |
K06T | Zeitrelais für Leistungsregler |
K07T | Zeitrelais für Anlaufentlastung |
K10 | Hilfsrelais für Verdichterstatusmeldung |
K11 | Hilfsrelais für Verdichterstatusmeldung |
M01 | Verdichtermotor |
M05 | MV für Kältemitteleinspritzung mit LI-, RI- oder CIC-Einspritzventil |
M06 | MV für Economiser (ECO) |
M11 | MV für Leistungsregler 1, CR1, CR+, CRII-2 oder Anlaufentlastung |
M12 | MV für Leistungsregler 2, CR2, CR- oder CRII-1 |
M13 | MV für Leistungsregler 3, CR3 oder CRII-3 |
M14 | MV für Leistungsregler CR4 |
M20 | MV für Flüssigkeitsleitung |
M30 | Verdampferventilator |
M42 | MV für zusätzliche Öleinspritzung |
M43 | MV für Ölkühlerleitung |
P03 | Leuchte: Zeitverzögerung ist aktiv |
P05 | Leuchte: Verdichterstörung |
P11 | Leuchte: FU-Störung |
Q01 | Hauptschalter |
Q02 | Schütz für erste Teilwicklung (PW) oder Hauptschütz (Y/Δ) oder Verdichterschütz bei Direktanlauf |
Q03 | Schütz für zweite Teilwicklung (PW) oder Dreieckschütz (Y/Δ) |
Q04 | Sternschütz (Y/Δ) |
Q05 | Steuertransformatorsicherung |
R06 | Entstörglied (bei Bedarf, z. B. Murr Elektronik) |
S01 | Steuerschalter (ein/aus) |
S02 | Entriegelung der Verdichtersicherheitskette |
T01 | Steuertransformator (Beispiel für 230 V, erforderlich gemäß EN60204-1) |
T02 | Frequenzumrichter (FU) |
Weiterführende technische Dokumente: