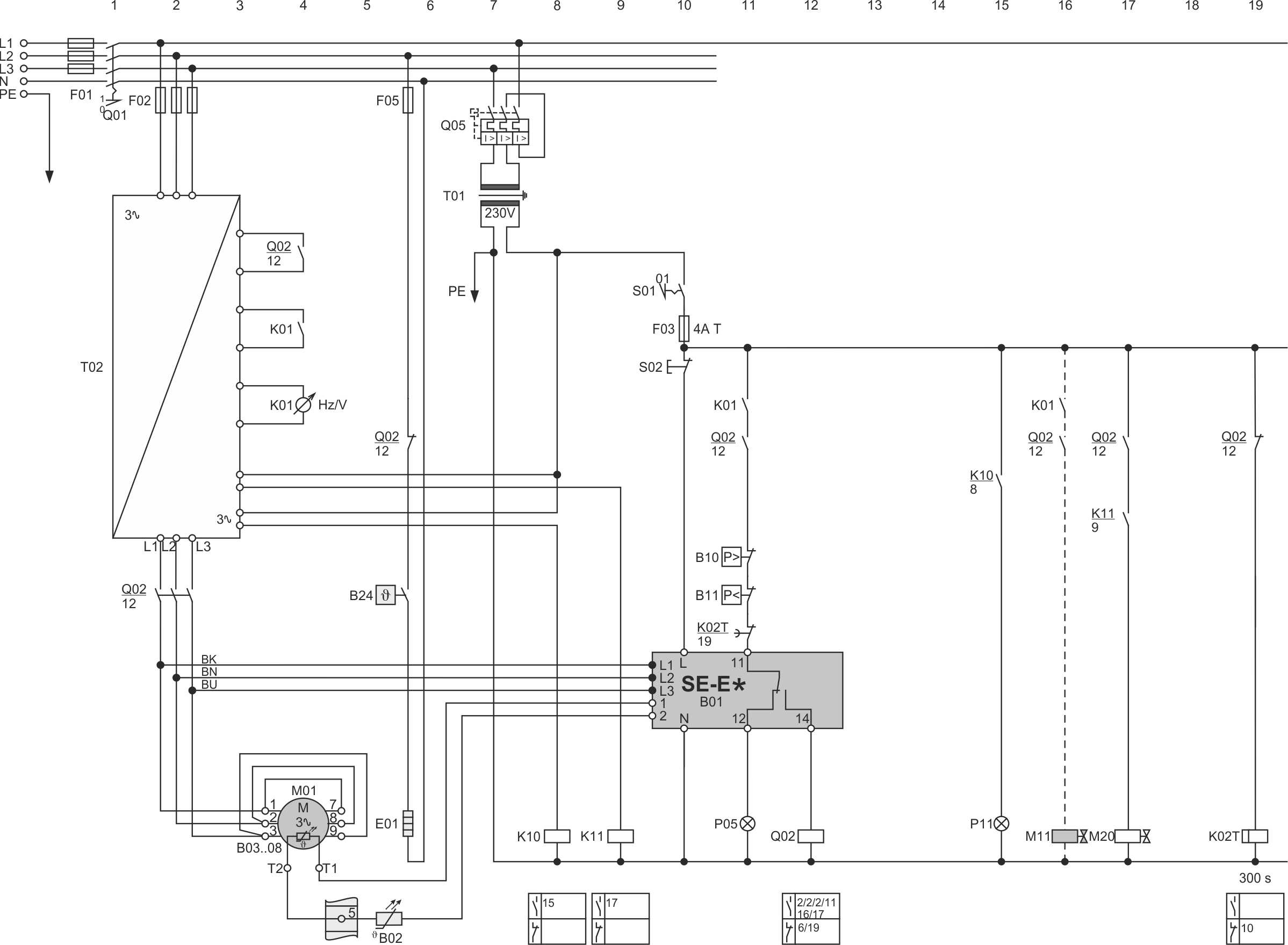
VSK31 .. 41 mit Frequenzumrichter und SE-E*

Letzte Bearbeitung des Bilds:
14.02.2025
Abk. | Bauteil |
|---|---|
B01 | Verdichterschutzgerät |
B02 | Druckgastemperaturfühler |
B03 .. 08 | Temperaturfühler in Motorwicklungen |
B10 | Hochdruckschalter |
B11 | Niederdruckschalter |
B24 | Ölthermostat |
B60 | Überlastschutzeinrichtung |
B61 | Überlastschutzeinrichtung für zweite Teilwicklung |
E01 | Ölheizung |
F01 | Hauptsicherung |
F02 | Verdichtersicherung |
F03 | Steuerkreissicherung |
F05 | Sicherung der Ölheizung |
F08 | Sicherung der Drehrichtungsüberwachung |
K01 | Übergeordneter Regler |
K01T | Zeitrelais für Teilwicklungsanlauf oder für Stern-Dreieck-Anlauf |
K02T | Zeitrelais für minimale Verdichterstillstandszeit |
K10 | Hilfsrelais für Verdichterstatusmeldung |
K11 | Hilfsrelais für Verdichterstatusmeldung |
M01 | Verdichtermotor |
M11 | MV für Leistungsregler 1, CR1, CR+, CRII-2 oder Anlaufentlastung |
M20 | MV für Flüssigkeitsleitung |
P05 | Leuchte: Verdichterstörung |
P11 | Leuchte: FU-Störung |
Q01 | Hauptschalter |
Q02 | Schütz für erste Teilwicklung (PW) oder Hauptschütz (Y/Δ) oder Verdichterschütz bei Direktanlauf |
Q03 | Schütz für zweite Teilwicklung (PW) oder Dreieckschütz (Y/Δ) |
Q04 | Sternschütz (Y/Δ) |
Q05 | Steuertransformatorsicherung |
S01 | Steuerschalter (ein/aus) |
S02 | Entriegelung der Verdichtersicherheitskette |
T01 | Steuertransformator (Beispiel für 230 V, erforderlich gemäß EN60204-1) |
T02 | Frequenzumrichter (FU) |
Weiterführende technische Dokumente: