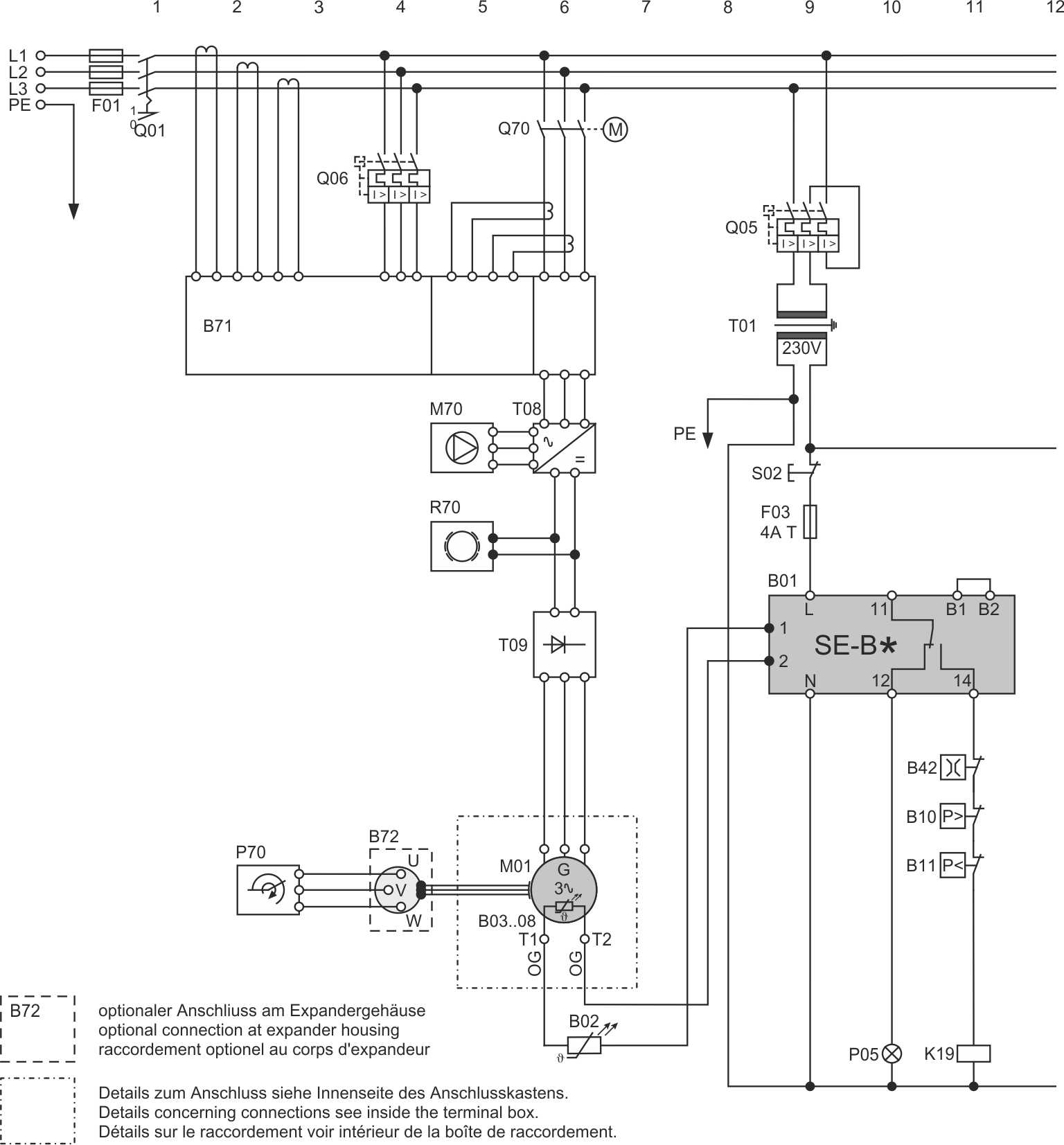
HSE.85 Expander mit SE-B*, Generatorbetrieb
Letzte Bearbeitung des Bilds:
08.11.2024
Abk. | Bauteil |
|---|---|
B01 | Verdichterschutzgerät |
B02 | Druckgastemperaturfühler |
B03 .. 08 | Temperaturfühler in Motorwicklungen |
B10 | Hochdruckschalter |
B11 | Niederdruckschalter |
B24 | Ölthermostat |
B71 | Netzüberwachungsgerät |
B72 | Drehzahlsensor |
F01 | Hauptsicherung |
F03 | Steuerkreissicherung |
K19 | Hilfsrelais: Sicherheitskette ist freigeschaltet |
M01 | Verdichtermotor |
M70 | Pumpe |
P05 | Leuchte: Verdichterstörung |
P70 | Drehzahlmessung |
Q01 | Hauptschalter |
Q05 | Steuertransformatorsicherung |
Q06 | Überlastschutzeinrichtung |
Q70 | Motorbetriebener Lastschalter |
R70 | Bremsgerät |
S02 | Entriegelung der Verdichtersicherheitskette |
T01 | Steuertransformator (Beispiel für 230 V, erforderlich gemäß EN60204-1) |
T08 | Wechselrichter |
T09 | Gleichrichter |
Weiterführende technische Dokumente:
